首頁
產品中心
技術支持
關于我們
聯系我們
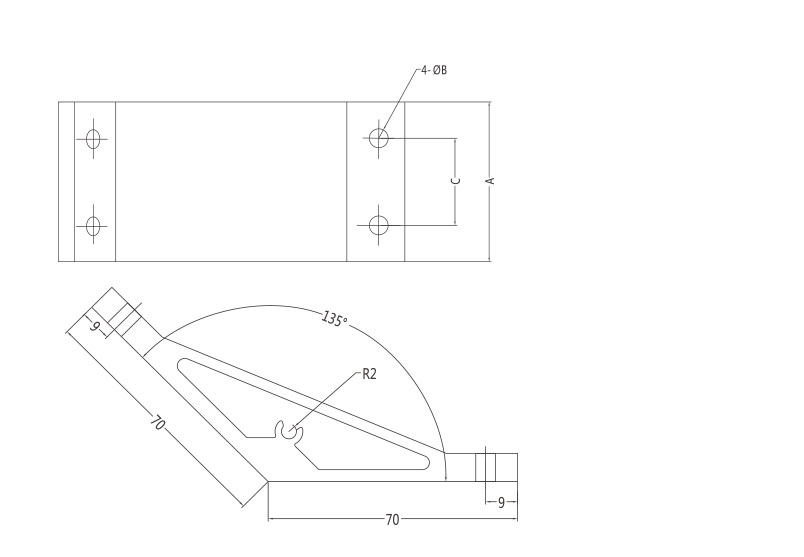
135度(du)支(zhi)架是從擠(ji)壓型(xing)材(cai)上截取料段,經鉆孔加工(gong)而(er)成。表面(mian)銀白陽極氧(yang)化(hua)(端(duan)面(mian)未氧(yang)化(hua)),連接強度(du)高(gao)。靈(ling)活性和通(tong)用(yong)性能好,安裝簡單方便。主要用(yong)于型(xing)材(cai)的135度(du)連接。